
產品詳情
D71X手柄對夾式脫硫蝶閥產品概述:
大氣污染中,二氧化硫是重要污染物,而二氧化硫污染物60%以上來源于工業煙氣的排放。隨著我國環境標準的逐步完善和提高,以及國民對環境意識的提高,我國今后對有工業煙氣排放的工程必須進行脫硫處理。煙氣脫硫裝置中的重要部件之一就是閥門,對于脫硫閥門的要求是既能耐氯化物、氧化物、酸,又能耐苛刻的磨粒磨損和泥漿的磨損腐蝕。正確的選擇閥門材料和結構形式,延長閥門的使用壽命是煙氣脫硫蝶閥的關鍵。
D71X手柄對夾式脫硫蝶閥應用范圍:
D71X手柄對夾式脫硫蝶閥可廣泛用于水電、污水、建筑、空調、石油、化工、食品、醫藥、輕紡、造紙、給排水等流體管線上作為調節和截流使用,并可籍由材質的更改,以適用于水、氣、油等不同介質,適用溫度-20~80℃。通過更換閥板密封圈、O型圈、蝶板、轉軸等材質,可適用多種介質和不同溫度。閥門自動控制裝備有高品質電動執行機構或雙作用氣動執行器,可以實現自動與手動雙重啟閉功能。
D71X手柄對夾式脫硫蝶閥結構特點:
閥門球墨鑄鐵殼體內外表面可采用高溫靜電噴涂環氧樹脂粉末涂層,涂層具有較高的耐腐蝕性能,與球墨鑄鐵基體具有極高的結合強度,涂層度為0.2—0.5mm。
1. 采用中線型結構無偏心設計,具有顯著的操作扭矩低的特征,配置電動裝置時的經濟性顯著;
2. 設計合理,結構緊湊,安裝拆卸簡單,便于維修;
3. 采用襯膠結構,蝶板圓周形密封面精密加工至較高的光潔度,對橡膠閥座的摩擦系數極低,閥門使用壽命較長;
4. 閥板密封面流態特性呈線性狀態,具有較小的流阻系數,閥門流阻。
5. 獨特設計的模壓橡膠閥座具有極佳的均衡性和支撐性,有效避免受力不均造成的對橡膠的破壞,閥門處全關位置時,橡膠處于zui佳的壓縮狀態以保持零泄漏;
6. 閥門兩端口橡膠密封面突出球墨鑄鐵法蘭面,閥門在管道安裝時無需額外的橡膠密封墊片
7. 蝶閥的操作機構選用靈活;
8. 蝶閥外觀精美耐腐蝕性好。
D71X手柄對夾式脫硫蝶閥標準規范:
設計制造標準:GB/T 12238-2008
結構長度標準:GB/T 12221-2005
連接法蘭標準:GB/T 9113
壓力溫度等級:GB/T 12224-2005
試驗檢驗標準:GB/T 13927-2008
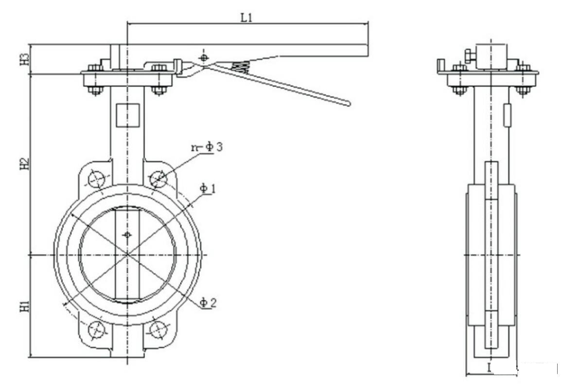
D71X手柄對夾式脫硫蝶閥外形連接尺寸:單位:mm
DN |
L |
H |
HO |
A |
B |
0.6MPa |
1.0MPa |
1.6MPa |
|||
DO |
n-d |
DO |
n-d |
DO |
n-d |
||||||
50 |
43 |
63 |
235 |
270 |
110 |
110 |
4-14 |
125 |
4-18 |
125 |
4-18 |
65 |
46 |
70 |
250 |
270 |
110 |
130 |
4-14 |
145 |
4-18 |
145 |
4-18 |
80 |
46 |
83 |
275 |
270 |
110 |
150 |
4-18 |
160 |
8-18 |
160 |
8-18 |
100 |
52 |
105 |
316 |
270 |
110 |
170 |
4-18 |
180 |
8-18 |
180 |
8-18 |
125 |
56 |
115 |
340 |
310 |
110 |
200 |
8-18 |
210 |
8-18 |
210 |
8-18 |
150 |
56 |
137 |
376 |
310 |
110 |
225 |
8-18 |
240 |
8-22 |
240 |
8-22 |
200 |
60 |
164 |
430 |
353 |
150 |
280 |
8-18 |
295 |
8-22 |
295 |
8-22 |
250 |
68 |
206 |
499 |
353 |
150 |
335 |
12-18 |
350 |
12-22 |
355 |
12-26 |
300 |
78 |
230 |
570 |
380 |
150 |
395 |
12-22 |
400 |
12-22 |
410 |
12-26 |

注:以上的產品介紹,參數,圖片,數據僅用于參考,如果需更準確的資料請咨詢公司技術服務熱線:18117208829




